Датчик детектирует концентрацию газа благодаря разнице сопротивления платиновой пружины, которая покрыта слоем оксида металла. Схема обработки сигнала основана на мостовой схеме Уитстона. При взаимодействии с целевым газом сопротивление чувствительного элемента уменьшается, а выходное напряжение моста увеличивается пропорционально изменению концентрации газа. Основное применение таких датчиков – бытовые детекторы алкоголя.
Преимущества: высокая чувствительность, малое время отклика, низкое энергопотребление.
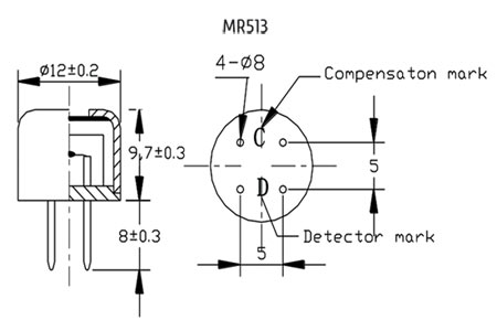
| Модель датчика | MR513![]() |
| Детектируемый газ | C2H5OH алкоголь |
| Диапазон измерений | 0-500 ppm |
| Чувствительность | 60 мВ (на 100ppm спирта) |
| Линейность | 0-5% |
| Время отклика | ≤20 с |
| Время восстановления | ≤40 с |
| Рабочее напряжение | 2.5 В ±0.1 В |
| Рабочий ток | ≤100 мА |
| Условия эксплуатации | -20…+50С, менее 95% влажности |
| Габаритные размеры | D12мм х 10 мм |
Чертеж
