Углекислый газ присутствует везде, где есть люди или животные. Поэтому определением количества СО2 широко пользуются как критерием оценки чистоты воздуха в помещениях и при расчетах вентиляции.
Применение: контроль качества воздуха в помещениях, контроль утечки газа, в системах вентиляции зданий (ОВК), оборудование для кондиционирования воздуха, аграрная промышленность и тепличные комплексы, животноводческие фермы, автомобильная индустрия (контроль выработки автомобильных и дымовых газов).
Особенности
— высокая чувствительность и разрешение
— низкая потребляемая мощность
— температурная компенсация
— превосходная линейность выходного сигнала
— хорошая стабильность
— стойкость к испарениям
— без использования вредных материалов
— долгий срок службы
| Модель датчика | MH-410D![]() |
MH-711A![]() |
| Класс защиты | IP64 | Ex d II C T6 Gb, IP65 |
| Диапазон измерений | 0-2000ppm 0-6000ppm 0-1%VOL 0-3%VOL 0-5%VOL |
0-2000ppm 0-6000ppm 0-1%VOL 0-3%VOL 0-5%VOL 0-10%VOL 0-30%VOL |
| Точность | ±(50ppm +5%) | |
| Выходной сигнал | UART 0,4-2 В |
I2C 0,4- 2В |
| Рабочее напряжение | 3,6-5 В | 4,5-5,5 В |
| Рабочий ток | <85 мА | <100 мА |
| Постоянная времени установления показаний СО2 |
30 с | |
| Диапазон рабочих температур | -20…60°С | -40…70°С |
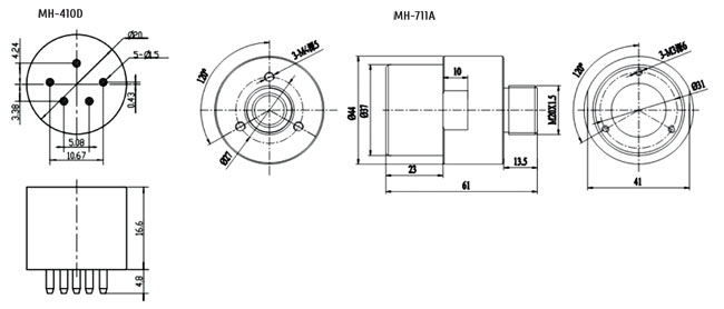
| Размеры | D20x21.4 мм | D44x61 мм |
Чертеж

| Вид | Наименование | Производитель | Наличие | Условие поставки | Цена, руб с НДС | Документация |
|---|---|---|---|---|---|---|
![]() |
MH-410D-0-5%VOL, NDIR датчик углекислого газа CO2 (промышленный) 0-5%VOL 5% UART | Winsen | нет | ОО |
от 20 - 10620.24 от 14 - 10780.16 от 8 - 10940.08 от 2 - 11100.00 от 1 - 11300.00 |
|
![]() |
MH-410D, ИК модуль концентрации CO2 10000ppm ШИМ, UART. I2C | WINSENSOR | нет | ОО |
от 20 - 10766.96 от 14 - 11311.31 от 8 - 11855.65 от 2 - 12400.00 от 1 - 12900.00 |
|
![]() |
MH-711A, NDIR датчик метана CO2 взрывозащищенный (промышленный) | Winsen | нет | ОО |
от 20 - 47492.79 от 14 - 48495.19 от 8 - 49497.60 от 2 - 50500.00 от 1 - 58000.00 |