Сенсорные модули ZC01/ZC02 имеют интегрированный высокостабильный каталитический датчик метана, процессор обработки данных, инфракрасный удаленный режим регулировки, что обеспечивает его надежную работу при минимальных затратах на подключение. Модуль имеет схему самодиагностики и функцию ограничения калибровки нуля, это позволяет избежать непрерывного срабатывания датчика по причине его поломки. При детектировании концентрации выше 1% объемного содержания в воздухе включается мигающий индикаторный светодиод, информирующий о необходимости включения вентиляции или эвакуации. При снижении концентрации метана ниже данного уровня индикатор гаснет.
Область применения: шахты, промышленные детекторы утечки, сигнализационные лампы в горнодобывающей промышленности.
| Модель | ZC01 ![]() |
ZC02 ![]() |
| Детектируемый газ | метан СН4 | |
| Диапазон измерений, срабатывание сигнализации |
0.5-1% объемного содержания, 150-160мл/мин | |
| Погрешность срабатывания | ≤0.1% | |
| Частота опроса | 1 Гц (0% метана) 2 Гц (>1.2% метана) |
|
| Тип датчика | каталитический | |
| Рабочее напряжение | 3.1-5 В | |
| Рабочий ток | ≤100 мА ±10 | |
| Стабильность нуля | ±0.1% | |
| Время отклика | ≤20 с | |
| Условия эксплуатации | 0…+30°С, до 98% влажности давление 80-110 кПа H2S концентрация ≤6 ppm |
|
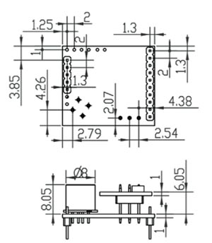
Чертеж
