Применение: приборы контроля качества воздуха, контроль процесса ферментации, измерения низкой концентрации газов в теплицах.
Детектируемые газы: LPG, природный газ, насыщенный углеводород и угольный газ, пары органических растворителей, бензин, алкоголь, кетон, бензол.
Преимущества датчиков MG
— высокая чувствительность
— стабильность параметров
— демократичная стоимость
— хорошая селективность
| Тип датчика | MG811 | MG812 |
| Детектируемый газ | СО2 углекислый газ | |
| Диапазон измерений | 0-10000 ppm | |
| Чувствительность | 1000 ppm CO2: ≥20 мВ | 1000 ppm CO2: ≥25 мВ |
| Время отклика | <60 с | |
| Время восстановления | <90 с | |
| Сопротивление нагревателя | 35 ±3 Ом | 60 ±5 Ом |
| Ток нагревателя | 140 ±20 мА | 85 ±10 мА |
| Напряжение нагревателя | 6 ±0.1 В | 5 ±0.1 В |
| Потребляемая мощность нагревателя | ≤1000 мВт | 420 ±50 мВт |
| Условия эксплуатации | -20…+50°С, влажность <95% | |
| Условия хранения | -20…+70°С, влажность <70% | |
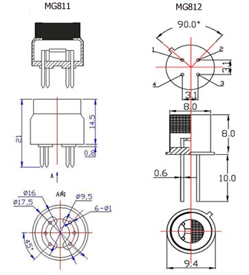
Чертеж

| Вид | Наименование | Производитель | Наличие | Условие поставки | Цена, руб с НДС | Документация |
|---|---|---|---|---|---|---|
![]() |
MG812, электрохимический миниатюрный датчик углекислого газа CO2 (бытовой) | Winsen | нет | ОО |
от 20 - 560.00 от 14 - 560.00 от 8 - 560.00 от 2 - 560.00 от 1 - 560.00 |