Кварцевый резонатор – это электронный прибор, в котором пьезоэлектрический эффект и явление механического резонанса используются для построения высокодобротного резонансного элемента электронной схемы. Первый кварцевый резонатор был изобретен и произведен в 1921 году, а стабильные по частоте резонаторы стали выпускаться уже в 30-е годы.
Кварцевые резонаторы применяются в генераторах опорных частот, в управляемых по частоте генераторах, селективных устройствах: фильтрах, частотных дискриминаторах и т.д.
Обладая среди резонаторов самой высокой добротностью Q~105 -107 (добротность колебательного LC-контура не превышает 102 , пьезокерамики - 103), кварцевые резонаторы имеют также высокую температурную стабильность и низкую долговременную нестабильность частоты (10-6-10-8).
Кварцевые резонаторы - устройства, использующие пьезоэлектрический эффект для возбуждения электрических колебаний заданной частоты. При совпадении частоты приложенного напряжения с одной из собственных механических частот кварцевого вибратора в приборе возникает явление резонанса, приводящее к резкому увеличению проводимости.
Преимущества кварцевых резонаторов
— Достижение намного бóльших значений добротности эквивалентного колебательного контура, нежели любым другим способом
— Малые габаритные размеры компонента, особенно в SMT исполнении
— Высокая температурная стабильность
— Большая долговечность
— Лучшая технологичность
— Построение качественных каскадных фильтров без необходимости их ручной настройки
Применение
Часовые схемы и таймеры
Генераторы с фиксированной частотой
Полосовые фильтры промежуточной частоты
Микропроцессорные системы
Технические характеристики
| Тип корпуса | HC-49U |
| Диапазон частот, МГц | 1.8432-125.000 |
| Нагрузочная емкость, пФ | 10-32 |
| Точность настройки (при 25°С) типичная, 10-6 | ±30 |
| Диапазон рабочих температур, °С | -20…+70* |
| Сопрот. изоляции при при напряж. 100В постоян., МОм | 500 |
| Долговрем. Нестаб. Частоты (при 25°С) за 1 год, 10-6 | ±5 |
| Добротность резонатора | Qк=1/w×Ск×Rк |
* Возможны поставки на заказ кварцевых резонаторов с расширенным температурным диапазоном: -40…+85°С.
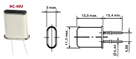
Габаритные размеры

Корпус HC-49U относится к габаритным корпусам для монтажа в отверстие платы.
Аналоги корпуса HC-49U у других производителей: KX-49 Geyer, 6A.
| Вид | Наименование | Производитель | Наличие | Условие поставки | Цена, руб с НДС | Документация |
|---|---|---|---|---|---|---|
![]() |
10.083 МГц HC-49U, кварцевый резонатор | FRONTER | 173 шт. | со склада |
от 1000 - 6.69 от 700 - 7.13 от 400 - 7.58 от 100 - 8.02 от 1 - 13.00 |
|
![]() |
27.145 МГц HC-49U, кварцевый резонатор 27.145МГц | FRONTER | 372 шт. | со склада |
от 1000 - 6.70 от 700 - 7.15 от 400 - 7.59 от 100 - 8.04 от 1 - 13.00 |
|
![]() |
20.00 MHZ HC-49U, кварцевый резонатор 20МГц 16пФ 30ppm | ELZET | под заказ | под заказ |
от 500 - 9.50 от 350 - 10.17 от 200 - 10.83 от 50 - 11.50 от 1 - 14.00 |
|
![]() |
КВАРЦЕВЫЙ РЕЗОНАТОР 5.000 МГЦ S 1ГАР. HC-49U, 5МГц (06-13г.) | Вниисимс | под заказ | под заказ |
от 1500 - 14.00 от 1050 - 15.57 от 600 - 17.13 от 150 - 18.70 от 1 - 29.00 |
|
![]() |
КВАРЦЕВЫЙ РЕЗОНАТОР 12.000 МГЦ S 1ГАР.HC-49U, 12МГц (2017г.) | Вниисимс | под заказ | под заказ |
от 1200 - 17.18 от 840 - 19.82 от 480 - 22.46 от 120 - 25.10 от 1 - 36.00 |
|
![]() |
КВАРЦЕВЫЙ РЕЗОНАТОР 50.000 МГЦ L 3ГАР. HC-49U, 50МГц (12-14г.) | Вниисимс | под заказ | под заказ |
от 1000 - 19.22 от 700 - 21.38 от 400 - 23.54 от 100 - 25.70 от 1 - 40.00 |
|
![]() |
КВАРЦЕВЫЙ РЕЗОНАТОР 4.032 МГЦ S 1ГАР. HC-49U, (12-16г.) | Вниисимс | под заказ | под заказ |
от 1000 - 18.78 от 700 - 21.65 от 400 - 24.53 от 100 - 27.40 от 1 - 39.00 |
|
![]() |
КВАРЦЕВЫЙ РЕЗОНАТОР 8.000 МГЦ S 1ГАР. HC-49U, 8МГц (15-17г.) | Вниисимс | под заказ | под заказ |
от 1000 - 26.99 от 700 - 30.06 от 400 - 33.13 от 100 - 36.20 от 1 - 56.00 |
|
![]() |
КВАРЦЕВЫЙ РЕЗОНАТОР 18.432 МГЦ S 1ГАР. HC-49U, (16-18г.) | Вниисимс | под заказ | под заказ |
от 1000 - 32.19 от 700 - 35.83 от 400 - 39.46 от 100 - 43.10 от 1 - 67.00 |
|
![]() |
КВАРЦЕВЫЙ РЕЗОНАТОР 1.8432 МГЦ S 1ГАР.HC-49U, (14-18г.) | Вниисимс | под заказ | под заказ |
от 200 - 60.00 от 140 - 63.33 от 80 - 66.67 от 20 - 70.00 от 1 - 90.00 |