Диодный модуль - это монолитный корпус, в котором размещено несколько диодов с полюсными выводами. Такая монолитная конструкция из нескольких диодов позволяют улучшить характеристики компонентов и их защитную функцию, т.е. повысить защиту оборудования при скачках напряжения, перепадах напряжения в сети. Поэтому диодные модули широко используются в различных электрических схемах, от бытового до промышленного назначения.
Среди преимуществ диодных модулей можно выделить такие факты, что они выдерживают высокое напряжение, надежны и долговечны, отличаются низкой потерей тока, устойчивы к механическим нагрузкам и повышению температур.
YangJie является крупной компанией, производственные мощности которой находятся в Китае. Это одна из немногих компаний, выполняющих полный цикл производства своей продукции, включая разработку и производство, сборку и проведение испытаний.
Ассортимент продукции YJ пересекается с продукцией таких производителей, как Semikron, IXYS, Microsemi , не уступая по качеству и выигрывая по стоимости.

Компания Yangjie (SUNCOYJ) выпускает несколько типов модульных сборок
— диодные модули
— тиристорные модули
— диодные модули с быстрыми диодами
— диодно-тиристорные модули
— модули с диодами Шоттки
— тиристорные модули контроля фаз
Система обозначений
| MD | 100 | C | 16 | D1 |
| 1 | 2 | 3 | 4 | 5 |
1. Тип модуля:
MD - диодный или тиристорный модуль
MF – модуль с быстровосстанавливающимися диодами
МТ – диодно-тиристорный модуль
2. Прямой ток, А
3. Конфигурация (см.таблицу)
4. Напряжение х 100, В
5. Тип корпуса
Типы конфигураций диодных модулей SuncoYJ
A
C
K
S
H
U
Компания YangJie выпускает линейку выпрямительных диодных модулей. Такие модули используются в цепях постоянного и переменного тока в широком диапазоне от 30 до 800 А и с обратным импульсным напряжением до 1800 В. Установка диодных модулей производится с помощью болтов через сквозные отверстия. Крепление проводов осуществляется с верхней стороны корпуса с помощью зажимных клемм или болтов с шайбами – в зависимости от типа корпуса (D1, D2, D3, D4, D5, D6, I3, I4).
Применяются выпрямительные диодные модули:
— в AC/AC преобразователях
— в устройствах управления и запуска электродвигателей переменного тока
— в регуляторах мощности
— в сварочном оборудовании
— при запитке DC-моторов и т.п.

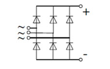
Схемы
Основные характеристики приведены в таблице
| Part NO. | VRRM (V) |
IF(AV )@TC | IFSM 10ms(A) |
IRRM 150°C (mA) |
VFM@IF | Rth(j-c) (°C/W) |
Package | ||
| (A) | (°C) | (V) | (A) | ||||||
| MD36C08D1 | 800 | 36 | 104 | 650 | 5 | 1.40 | 100 | 0.5 | D1 |
| MD36C12D1 | 1200 | 36 | 104 | 650 | 5 | 1.40 | 100 | 0.5 | D1 |
| MD36C16D1 | 1600 | 36 | 104 | 650 | 5 | 1.40 | 100 | 0.5 | D1 |
| MD36C18D1 | 1800 | 36 | 104 | 650 | 5 | 1.40 | 100 | 0.5 | D1 |
| MD36A08D1 | 800 | 36 | 104 | 650 | 5 | 1.40 | 100 | 0.5 | D1 |
| MD36A12D1 | 1200 | 36 | 104 | 650 | 5 | 1.40 | 100 | 0.5 | D1 |
| MD36A16D1 | 1600 | 36 | 104 | 650 | 5 | 1.40 | 100 | 0.5 | D1 |
| MD36A18D1 | 1800 | 36 | 104 | 650 | 5 | 1.40 | 100 | 0.5 | D1 |
| MD36K08D1 | 800 | 36 | 104 | 650 | 5 | 1.40 | 100 | 0.5 | D1 |
| MD36K12D1 | 1200 | 36 | 104 | 650 | 5 | 1.40 | 100 | 0.5 | D1 |
| MD36K16D1 | 1600 | 36 | 104 | 650 | 5 | 1.40 | 100 | 0.5 | D1 |
| MD36K18D1 | 1800 | 36 | 104 | 650 | 5 | 1.40 | 100 | 0.5 | D1 |
| MD60C08D1 | 800 | 60 | 100 | 1150 | 5 | 1.45 | 200 | 0.295 | D1 |
| MD60C12D1 | 1200 | 60 | 100 | 1150 | 5 | 1.45 | 200 | 0.295 | D1 |
| MD60C16D1 | 1600 | 60 | 100 | 1150 | 5 | 1.45 | 200 | 0.295 | D1 |
| MD60C18D1 | 1800 | 60 | 100 | 1150 | 5 | 1.45 | 200 | 0.295 | D1 |
| MD60A08D1 | 800 | 60 | 100 | 1150 | 5 | 1.45 | 200 | 0.295 | D1 |
| MD60A12D1 | 1200 | 60 | 100 | 1150 | 5 | 1.45 | 200 | 0.295 | D1 |
| MD60A16D1 | 1600 | 60 | 100 | 1150 | 5 | 1.45 | 200 | 0.295 | D1 |
| MD60A18D1 | 1800 | 60 | 100 | 1150 | 5 | 1.45 | 200 | 0.295 | D1 |
| MD60K08D1 | 800 | 60 | 100 | 1150 | 5 | 1.45 | 200 | 0.295 | D1 |
| MD60K12D1 | 1200 | 60 | 100 | 1150 | 5 | 1.45 | 200 | 0.295 | D1 |
| MD60K16D1 | 1600 | 60 | 100 | 1150 | 5 | 1.45 | 200 | 0.295 | D1 |
| MD60K18D1 | 1800 | 60 | 100 | 1150 | 5 | 1.45 | 200 | 0.295 | D1 |
| MD70C08D1 | 800 | 70 | 102 | 1400 | 5 | 1.30 | 200 | 0.255 | D1 |
| MD70C12D1 | 1200 | 70 | 102 | 1400 | 5 | 1.30 | 200 | 0.255 | D1 |
| MD70C16D1 | 1600 | 70 | 102 | 1400 | 5 | 1.30 | 200 | 0.255 | D1 |
| MD70C18D1 | 1800 | 70 | 102 | 1400 | 5 | 1.30 | 200 | 0.255 | D1 |
| MD70A08D1 | 800 | 70 | 102 | 1400 | 5 | 1.30 | 200 | 0.255 | D1 |
| MD70A12D1 | 1200 | 70 | 102 | 1400 | 5 | 1.30 | 200 | 0.255 | D1 |
| MD70A16D1 | 1600 | 70 | 102 | 1400 | 5 | 1.30 | 200 | 0.255 | D1 |
| MD70A18D1 | 1800 | 70 | 102 | 1400 | 5 | 1.30 | 200 | 0.255 | D1 |
| MD70K08D1 | 800 | 70 | 102 | 1400 | 5 | 1.30 | 200 | 0.255 | D1 |
| MD70K12D1 | 1200 | 70 | 102 | 1400 | 5 | 1.30 | 200 | 0.255 | D1 |
| MD70K16D1 | 1600 | 70 | 102 | 1400 | 5 | 1.30 | 200 | 0.255 | D1 |
| MD70K18D1 | 1800 | 70 | 102 | 1400 | 5 | 1.30 | 200 | 0.255 | D1 |
| MD100C08D1 | 800 | 100 | 109 | 2500 | 5 | 1.40 | 300 | 0.175 | D1 |
| MD100C12D1 | 1200 | 100 | 109 | 2500 | 5 | 1.40 | 300 | 0.175 | D1 |
| MD100C16D1 | 1600 | 100 | 109 | 2500 | 5 | 1.40 | 300 | 0.175 | D1 |
| MD100C18D1 | 1800 | 100 | 109 | 2500 | 5 | 1.40 | 300 | 0.175 | D1 |
| MD100A08D1 | 800 | 100 | 109 | 2500 | 5 | 1.40 | 300 | 0.175 | D1 |
| Вид | Наименование | Производитель | Наличие | Условие поставки | Цена, руб с НДС | Документация |
|---|---|---|---|---|---|---|
![]() |
MD100C16D1, диодный модуль 1600В 100А D1 =SKKD100/16, MDD95-16N1B, MSCD100B-16, DD100KB | YJ | 1 шт. | со склада |
от 30 - 995.91 от 21 - 1023.94 от 12 - 1051.97 от 3 - 1080.00 от 1 - 1200.00 |
|
![]() |
MD100C12D1, Выпрямительный диодный модуль 1200В 100А [D1] = SKKD105F12 | YJ | под заказ | под заказ |
от 50 - 797.05 от 35 - 847.70 от 20 - 898.35 от 5 - 949.00 от 1 - 1100.00 |
|
![]() |
MD100A12D1, Выпрямительный диодный модуль 1200В 100А [D1] | YJ | под заказ | под заказ |
от 20 - 1171.39 от 14 - 1220.93 от 8 - 1270.46 от 2 - 1320.00 от 1 - 1400.00 |
|
![]() |
MD100A16D1, [D1] 1600В 100А Выпрямительный диодный модуль | YJ | под заказ | под заказ |
от 20 - 1171.39 от 14 - 1220.93 от 8 - 1270.46 от 2 - 1320.00 от 1 - 1400.00 |
|
![]() |
MD100A18D1, Выпрямительный диодный модуль 1800В 100А [D1] | YJ | под заказ | под заказ |
от 20 - 1171.39 от 14 - 1220.93 от 8 - 1270.46 от 2 - 1320.00 от 1 - 1400.00 |
|
![]() |
MD100C08D1, Выпрямительный диодный модуль 800В 100А [D1] | YJ | под заказ | под заказ |
от 20 - 1171.39 от 14 - 1220.93 от 8 - 1270.46 от 2 - 1320.00 от 1 - 1400.00 |
|
![]() |
MD100K08D1, Выпрямительный диодный модуль 800В 100А [D1] | YJ | под заказ | под заказ |
от 20 - 1171.39 от 14 - 1220.93 от 8 - 1270.46 от 2 - 1320.00 от 1 - 1400.00 |
|
![]() |
MD100C18D1, Выпрямительный диодный модуль 1800В 100А [D1]=SKKD81/12,A-10 Semikron = SKKD81/18 | YJ | под заказ | под заказ |
от 20 - 1209.62 от 14 - 1249.75 от 8 - 1289.87 от 2 - 1330.00 от 1 - 1500.00 |
|
![]() |
MD100A16D1N, [D1N] 1600В 100А Выпрямительный диодный модуль | YJ | под заказ | под заказ |
от 20 - 1305.26 от 14 - 1350.17 от 8 - 1395.09 от 2 - 1440.00 от 1 - 1600.00 |
|
![]() |
MD100C16D1N, [D1N] 1600В 100А Выпрямительный диодный модуль | YJ | под заказ | под заказ |
от 20 - 1305.26 от 14 - 1350.17 от 8 - 1395.09 от 2 - 1440.00 от 1 - 1600.00 |