SN6501 – это драйвер трансформатора, предназначенный для разработки бюджетных маломощных источников питания для обеспечения питания изолированной линии передачи данных RS-485/RS-232. Драйвер выполнен по схеме двухтактного преобразователя в корпусе SOT23-5. Он питает трансформатор с отводом первичной обмотки в средней точке от источника постоянного напряжения 3.3 или 5В. Вторичная обмотка может быть реализована для обеспечения изолированного источника напряжения мощностью до 0.5 В.
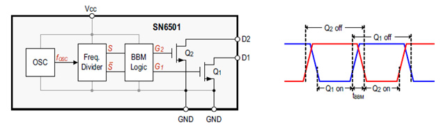
В состав микросхемы входят тактовый генератор, схема управления транзисторами (включает частотный делитель и логическую схему выходных комплементарных сигналов) и два N-канальных полевых транзистора. Драйвер обеспечивает защиту от сквозных токов, а управление по схеме push-pull позволяет использовать стандартные малогабаритные трансформаторы.

Разработка преобразователей с SN6501
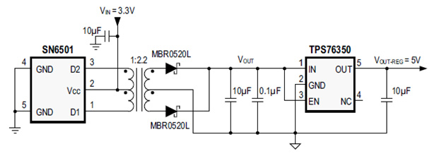
Одним из способов передачи напряжения с первичной во вторичную цепь в DC/DC-преобразователях является использование двухтактного преобразователя совместно с трансформатором с выводом от средней точки. Для его разработки используются следующие комплектующие: LDO регулятор, трансформатор, выпрямительный диод, конденсаторы.
Для разработки схем источников питания для промышленных интерфейсов с SN6501 рекомендованы следующие компоненты:
— Трансформатор DA2303 Coilcraft (5 В -> 5 В или 3,3 В -> 3,3 В), DA2304 (3,3 В -> 5 В) или CER95 Sumida; Wurth 760390014
— Два выпрямительных диода MBR0520LT ON Semiconductor или STPS0520Z STMicroelectronics, а также MBR0530 для выходных напряжений более 10В
— Микросхема линейного стабилизатора TPS76333 в корпусе SOT23 (LDO 3,3 В) или TPS76350 (LDO 5 В)
— Танталовые, желательно с низким ESR, и керамические ЧИП конденсаторы (10-100 нФ в качестве развязывающего конденсатора, 10-22 мкФ для сглаживающего входного конденсатора, 4,7-10 мкФ с низким ESR для выходного конденсатора LDO регулятора)
Трансформаторы Wurth Electronics для SN6501

Для работы с драйвером SN6501 специально разработаны трансформаторы WE серии MID-ITIPP:
| Наим-е | Входное напр-е, В | Вых. напр-е, В | Вых. ток, А | Индуктивность, мГн | NPRI : NSEC : NAUX | Частота, кГц | Длина, мм | Ширина, мм | Высота, мм |
| 760390012 | 5 | 5< | 0.15 | 0.475 | 1 : 1.1 | 300-620 | 10.05 | 6.73 | 4.19 |
| 760390013 | 3.3 | 5 | 0.15 | 0.475 | 1 : 1.7 | 250-550 | 10.05 | 6.73 | 4.19 |
| 760390014 | 5 | 5 | 0.15 | 0.475 | 1 : 1.3 | 300-620 | 10.05 | 6.73 | 4.19 |
| 760390015 | 3.3 | 5 | 0.15 | 0.475 | 01:02< | 250-550 | 10.05< | 6.73 | 4.19 |
Для оценки возможности драйвера в существующих решениях и быстро разработки гальванически развазанных интерфейсов доступна отладочная плата SN6501EVM. Отладочная плата включает в себя: трансформатор, выпрямитель и линейный регулятор.
Применение
— Драйверы изолированных источников питания трансформаторов
интерфейсов RS-485, RS-232, CAN, RS-422, SPI, I2C, маломощных LAN
— Промышленная автоматика
— Изолированные и/или высоковольтные источники питания
— Медицинское оборудование
— Оборудование технологического контроля
Особенности
— Драйвер трансформатора источника питания для приложений с изолированными интерфейсами данных RS-485/RS-232
— Униполярное питание +5 В или +3.3 В
— Высокий ток в нагрузке: 350 мА для питания 5В или 150 мА для 3,3В
— Частота преобразования 620 кГц
— Низкий уровень выходных выбросов напряжения дает возможность использовать миниатюрные конденсаторы в схеме обвязки
— Малогабаритные корпуса SOТ-23
Типичная схема применения

| Вид | Наименование | Производитель | Наличие | Условие поставки | Цена, руб с НДС | Документация |
|---|---|---|---|---|---|---|
![]() |
SN6501DBVR, Драйвер трансформаторов для изолированных источников питания [SOT-23-5] | TI | 4 шт. | со склада |
от 20 - 36.90 от 14 - 36.90 от 8 - 36.90 от 2 - 36.90 от 1 - 39.00 |
|
![]() |
SN6501DBVR, драйвер SOT23-5 | TI | под заказ | под заказ |
от 100 - 282.75 от 70 - 291.50 от 40 - 300.25 от 10 - 309.00 от 1 - 360.00 |