
Артикул: VS-HFA08TB60-N3
Заводская упаковка: в линейке/пенале по 50 шт.
| Производитель | VISHAY |
| Тип диода | ультрабыстрый выпрямительный |
| Максимальное постоянное обратное напряжение,В | 600 |
| Максимальный прямой (выпрямленный за полупериод) ток,А | 8 |
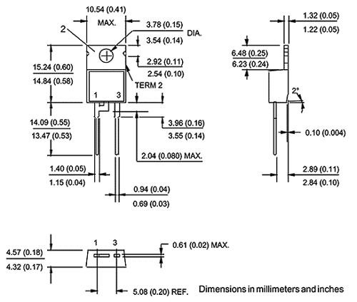
| Корпус | TO-220AC |
| все параметры |
| Наличие: под заказ |
| Поставка: по запросу менеджеру |
| Цены (уточняются по запросу на почту): |
| от 750 - 53.49 руб. |
VS-HFA08TB60-N3 (datasheet)
| Фото | Наименование | Наличие | Цена |
![]() |
VS-8ETH06-M3, TO-220AC |
10 шт. | от 87.66 руб./шт от 200 шт |
![]() |
под заказ | от 27.79 руб./шт от 550 шт | |
![]() |
под заказ | от 36.86 руб./шт от 380 шт | |
![]() |
под заказ | от 25.11 руб./шт от 700 шт | |
![]() |
под заказ | от 25.78 руб./шт от 200 шт | |
![]() |
поставка 3-4 раб.дня | от 54.36 руб./шт от 800 шт | |
![]() |
VS-HFA08TB60-M3, Диод ультрабыстрый 8А 600В HEXFRED [TO-220AC_2L.] |
поставка 5 рабочих дней | от 188.51 руб./шт от 20 шт |
![]() |
под заказ | от 60.70 руб./шт от 350 шт | |
![]() |
VS-8ETL06-M3, Диод выпрямительный, 600В 8A 250ns 2-Pin(2+Tab) TO-220AC |
под заказ | от 65.89 руб./шт от 100 шт |
![]() |
VS-8ETH06-M3, Диод выпрямительный общего применения 600В 8А |
поставка 3-4 раб.дня | от 67.38 руб./шт от 200 шт |
Для подбора аналогов обратитесь в службу технической поддержки.
Доставка
Оплата
Гарантия