
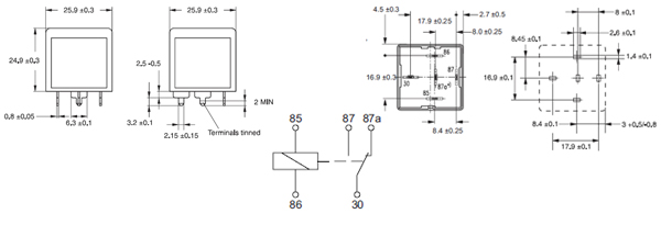
Артикул: 6-1393302-3
| Производитель | TE CONNECTIVITY |
| Катушка: напряжение срабатывания,В | 24 |
| Конфигурация контактов | 1 Form C |
| все параметры |
| Наличие: под заказ |
| Поставка: по запросу менеджеру |
| Цены (уточняются по запросу на почту): |
| от 500 - 493.80 руб. |
Сайт производителя: TE ConnectivityПоиск документации на 6-1393302-3
| Фото | Наименование | Наличие | Цена |
![]() |
TR93-24VDC-SC-C, реле 24V/30A |
под заказ | от 65.13 руб./шт от 500 шт |
![]() |
поставка 3-4 раб.дня | от 80.30 руб./шт от 300 шт |
Для подбора аналогов обратитесь в службу технической поддержки.
Доставка
Оплата
Гарантия