
Артикул: 41.52.9.012.0010
Заводская упаковка: в линейке/пенале по 20 шт.
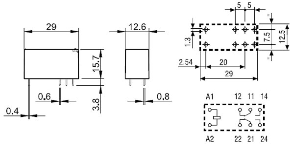
| Производитель | FINDER |
| Серия | 41 |
| Конфигурация контактов | 2 Form C (2 переключающих контакта) |
| Катушка: напряжение срабатывания,В | 12 |
| Катушка: Тип напряжения | DC |
| Контакты: Коммутируемый ток,А | 8 |
| все параметры |
| Наличие: 303 шт. |
| Поставка: со склада в Москве |
| Цены : |
| от 100 - 331.20 руб. от 70 - 342.47 руб. от 40 - 353.73 руб. от 10 - 365.00 руб. от 1 - 420.00 руб. |
41.52.9.012.0010 (datasheet)
Для подбора аналогов обратитесь в службу технической поддержки.
Доставка
Оплата
Гарантия