
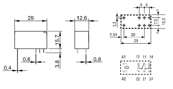
Артикул: 41.61.9.024.0010
Заводская упаковка: в линейке/пенале по 20 шт.
| Производитель | FINDER |
| Серия | 41 |
| Конфигурация контактов | 1 Form C (1 переключающий контакт) |
| Катушка: напряжение срабатывания,В | 24 |
| Катушка: Тип напряжения | DC |
| Контакты: Коммутируемый ток,А | 16 |
| все параметры |
| Наличие: 18 шт. |
| Поставка: со склада в Москве |
| Цены : |
| от 100 - 312.00 руб. от 70 - 322.67 руб. от 40 - 333.33 руб. от 10 - 344.00 руб. от 1 - 400.00 руб. |
41.61.9.024.0010 (datasheet)
Для подбора аналогов обратитесь в службу технической поддержки.
Доставка
Оплата
Гарантия