
Артикул: ALDP124
| Производитель | PANASONIC |
| Конфигурация контактов | 1 Form A (1 НР контакт) |
| Катушка: напряжение срабатывания,В | 24 |
| Катушка: Тип напряжения | DC |
| Контакты: Коммутируемое напряжение,В | 277 AC |
| Контакты: Коммутируемый ток,А | 5 |
| все параметры |
| Наличие: 100 шт |
| Поставка: 27 мая (после оплаты) |
| Цены : |
| от 20 - 483.07 руб. от 14 - 484.38 руб. от 8 - 485.69 руб. от 2 - 487.00 руб. от 1 - 500.00 руб. Потребуется 100% предоплата |
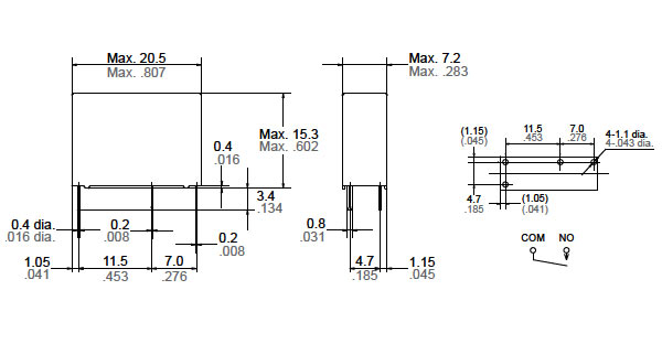
ALDP124 (datasheet)
Для подбора аналогов обратитесь в службу технической поддержки.
Доставка
Оплата
Гарантия