
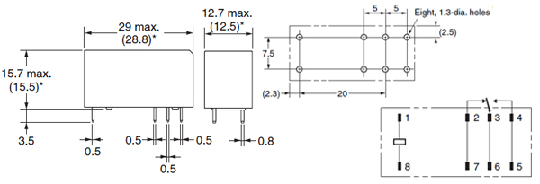
Артикул: G2RL-1E-12DC
| Производитель | OMRON |
| Серия | G2RL |
| Конфигурация контактов | 1 Form C (1 переключающий контакт) |
| Катушка: напряжение срабатывания,В | 12 |
| Катушка: Тип напряжения | DC |
| Контакты: Коммутируемое напряжение,В | 250В AC |
| все параметры |
| Наличие: 100 шт |
| Поставка: 6 апреля на складе в Москве (после оплаты) |
| Цены : |
| от 20 - 270.61 руб. от 14 - 273.07 руб. от 8 - 275.54 руб. от 2 - 278.00 руб. от 1 - 290.00 руб. Потребуется 100% предоплата |
G2RL-1E-12DC (datasheet)
| Фото | Наименование | Наличие | Цена |
![]() |
100 шт. | от 173.12 руб./шт от 30 шт | |
![]() |
G2RL-1E-12VDC, реле 12В 16А 250В АС SPDT 29*12.7*15.7мм |
87 шт. | от 135.00 руб./шт от 50 шт |
![]() |
G2RL-1E-12DC, Силовое реле 16А один контакт на переключение катушка 12В монтаж в отверстие |
поставка 3-4 раб.дня | от 109.79 руб./шт от 480 шт |
Доставка
Оплата
Гарантия