
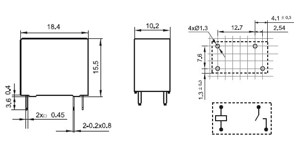
Артикул: HF32FV-16/5-HLTF
| Производитель | HONGFA |
| Катушка: напряжение срабатывания,В | 5 |
| Катушка: Тип напряжения | DC |
| все параметры |
| Наличие: под заказ |
| Поставка: по запросу менеджеру |
| Цены (уточняются по запросу на почту): |
| от 150 - 99.77 руб. |
HF32FV-16/5-HLTF (datasheet)
Доставка
Оплата
Гарантия