
Артикул: IT-1101NEA-180G-G
Заводская упаковка: лента на катушке по 1500 шт.
| Производитель | SWITRONIC |
| Тип | прямая |
| Способ монтажа | поверхностный монтаж |
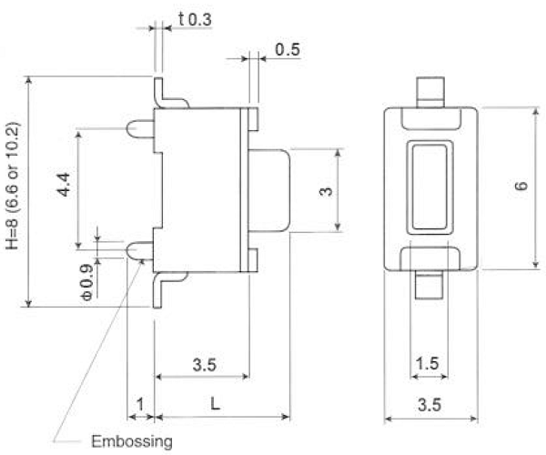
| Размер, мм | 6x3.5 |
| Высота/длина кнопки с толкателем ( до контактов), мм | 5 |
| все параметры |
| Наличие: 5401 шт. |
| Поставка: со склада в Москве |
| Цены : |
| от 1000 - 10.77 руб. от 700 - 11.51 руб. от 400 - 12.26 руб. от 100 - 13.00 руб. от 10 - 21.00 руб. |
| Фото | Наименование | Наличие | Цена |
![]() |
KAN3544C 0503C1, без заземления 5.0мм without ground pole two height normal options 5.0мм |
24360 шт. | от 2.21 руб./шт от 10000 шт |
![]() |
под заказ | от 18.82 руб./шт от 125000 шт | |
![]() |
IT-1101NEA-180G-G, Кнопки тактовые |
поставка 1-2 раб.дня | от 16.74 руб./шт от 7500 шт |
Для подбора аналогов обратитесь в службу технической поддержки.
Доставка
Оплата
Гарантия