
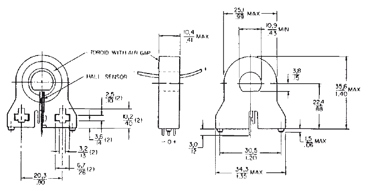
Артикул: CSLA1CD
| Производитель | HONEYWELL |
| Тип подключения к измеряемой цепи | бесконтактный |
| Выход | линейный |
| Максимальный допустимый ток,А | 57 |
| Измерение постоянного тока,Iпост | да |
| Измерение переменного тока,Iпер. | да |
| все параметры |
| Наличие: под заказ |
| Поставка: по запросу менеджеру |
| Цены (уточняются по запросу на почту): |
| от 100 - 713.50 руб. |
CSLA1CD, датчик тока -/+57A линейный AC/DC 8-16В19мА на плату (печатный каталог ПЛАТАН)
Для подбора аналогов обратитесь в службу технической поддержки.
Доставка
Оплата
Гарантия