19 июня 2019
В данном обзоре пойдет речь о серии линейных стабилизаторов как с фиксированным так и с подстраиваемым выходным напряжением. Особенностью данного производителя является высокое качество и низкая цена, что позволяет существенно снизить себестоимость продукции.
Все ещё помнят времена, когда для казалось бы простой операции по стабилизации и получения требуемого выходного напряжения приходилось собирать достаточно сложное устройство с большим количеством электронных компонентов. Настоящим прорывом стало появление трехвыводных стабилизаторов напряжения КРЕН 142, КРЕН1157, 78хх и т.д. Их появление позволило кардинально уменьшить габариты изделий и повысить стабильность и точность выходных параметров.
На сегодняшний день на рынке можно найти большое количество линейных стабилизаторов от разных производителей, в разных корпусах и с разными параметрами. Это обусловлено в первую очередь тем, что на современной плате бывает до нескольких десятков устройств работающих под разными напряжениями. Поэтому нет необходимости создавать несколько источников питания, достаточно иметь один к примеру на 12В и с помощью линейных стабилизаторов HG1117, HK1117, HN1117, HV1117 можно получить стабильно 1.5В, 1.8В, 2.5В, 3.3В, 5.0В соответственно .
Так как для разных типов и экземпляров стабилизаторов значения выходного напряжения могут находится в некотором диапазоне, для установки более точных значений выпускаются стабилизаторы с маркировкой ADJ.
Рассмотрим несколько типовых примеров:
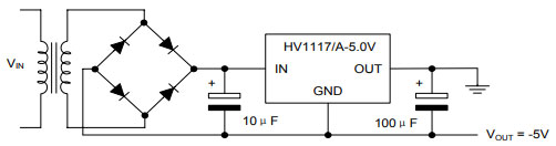
Линейный стабилизатор на 5В

Линейный стабилизатор с LDO (малым падением напряжения вх/вых)

Линейный стабилизатор с подстраиваемым выходным напряжение(ADJ)


Регулируемый стабилизатор HV1117/A (ADJ) имеет опорное напряжение между выводами OUT и ADJ. IADJ-типовое значение 60µA(120μa Макс.) и ΔIADJ составляет 1 мкА типовое (Максимум 5μa).
R1 обычно используется 120 Ом.
Чтобы рассчитать значение выходного напряжения используем формулу:
Vout = Vref+R2(Iadj + IR1) = Vref + R2(Iadj + Vref / R1) = Vref(1+R2/R1) + R2 xIadj
Обычно значение резистора R2 находится в диапазоне нескольких КОм, поэтому при расчётах R2 x IADJ можно пренебречь и упростить формулу до :
Vout=Vref(1+R2/R1)
Для уменьшения пульсаций нужно добавить дополнительный конденсатор 10µF,
конденсатор размещаем параллельно резистору R2 (см. вторую схему).
Из таблицы ниже можно подобрать линейные стабилизаторы напряжения HOTTECH под любые задачи:
| ТИП | Корпус | PD(mW) | IO(mA) | V1(V) | VO(VREF) (V) | IQ(mA) |
| HC431 | TO-92 | 770 | 100 | 30 | 2.45~2.55 | - |
| HC78L05 | TO-92 | 625 | 100 | 30 | 4.8~5.2 | 6 |
| HC78L06 | TO-92 | 625 | 100 | 30 | 5.75~6.25 | 6 |
| HC78L08 | TO-92 | 625 | 100 | 30 | 7.7~8.3 | 6 |
| HC78L09 | TO-92 | 625 | 100 | 30 | 8.64~9.36 | 6 |
| HC78L12 | TO-92 | 625 | 100 | 35 | 11.5~12.5 | 6.5 |
| HC78L15 | TO-92 | 625 | 100 | 30 | 14.4~15.6 | 6.5 |
| HC78L18 | TO-92 | 625 | 100 | 30 | 17.3~18.7 | 6.5 |
| HC79L05 | TO-92 | 625 | 100 | -30 | -4.8~-5.2 | 6 |
| HC79L06 | TO-92 | 625 | 100 | -30 | -5.75~-6.2 | 6 |
| HC79L08 | TO-92 | 625 | 100 | -30 | -7.7~-8.3 | 6 |
| HC79L09 | TO-92 | 625 | 100 | -30 | -8.64~-9.3 | 6 |
| HC79L12 | TO-92 | 625 | 100 | -35 | -11.5~-12. | 6.5 |
| HC79L15 | TO-92 | 625 | 100 | -35 | -14.4~-15. | 6.5 |
| HE1117-1.5 | SOT-89 | 500 | 1000 | 17 | 1.448~1.51 | 11 |
| HE1117-1.8 | SOT-89 | 500 | 1000 | 17 | 1.782~1.81 | 11 |
| HE1117-2.5 | SOT-89 | 500 | 1000 | 17 | 2.475~2.52 | 11 |
| HE1117-3.3 | SOT-89 | 500 | 1000 | 17 | 3.267~3.33 | 11 |
| HE1117-5 | SOT-89 | 500 | 1000 | 17 | 4.950~5.05 | 11 |
| HE1117-ADJ | SOT-89 | 500 | 1000 | 17 | 1.233~1.26 | - |
| HG1117-1.5 | SOT-223 | 500 | 1000 | 17 | 1.485~1.51 | 11 |
| HG1117-1.8 | SOT-223 | 500 | 1000 | 17 | 1.782~1.81 | 11 |
| HG1117-2.5 | SOT-223 | 500 | 1000 | 17 | 2.475~2.52 | 11 |
| HG1117-3.3 | SOT-223 | 500 | 1000 | 17 | 3.267~3.33 | 11 |
| HG1117-5 | SOT-223 | 500 | 1000 | 17 | 4.950~5.05 | 11 |
| HG1117-ADJ | SOT-223 | 500 | 1000 | 17 | 1.233~1.26 | - |
| HK7805 | TO-220 | 2000 | 1500 | 35 | 4.8~5.2 | 8 |
| HK7806 | TO-220 | 2000 | 1500 | 35 | 5.75~6.25 | 8 |
| HK7808 | TO-220 | 2000 | 1500 | 35 | 7.7~8.3 | 8 |
| HK7809 | TO-220 | 2000 | 1500 | 35 | 8.64~9.36 | 8 |
| HK7812 | TO-220 | 2000 | 1500 | 40 | 11.5~12.5 | 8 |
| HK7815 | TO-220 | 2000 | 1500 | 35 | 14.4~15.6 | 8 |
| HK7818 | TO-220 | 2000 | 1500 | 35 | 17.3~18.7 | 8 |
| HK7905 | TO-220 | 2000 | 1500 | -25 | -4.8~-5.2 | 2 |
| HK7906 | TO-220 | 2000 | 1500 | -25 | -5.75~-6.2 | 2 |
| HK7908 | TO-220 | 2000 | 1500 | -25 | -7.7~-8.3 | 2 |
| HK7909 | TO-220 | 2000 | 1500 | -25 | -8.64~-9.3 | 2 |
| HK7912 | TO-220 | 2000 | 1500 | -30 | -11.5~-12. | 2 |
| HK7915 | TO-220 | 2000 | 1500 | -30 | -14.4~-15. | 2 |
| HN1117-1.5 | TO-252 | 500 | 1000 | 17 | 1.485~1.51 | 11 |
| HN1117-1.8 | TO-252 | 500 | 1000 | 17 | 1.782~1.81 | 11 |
| HN1117-2.5 | TO-252 | 500 | 1000 | 17 | 2.475~2.52 | 11 |
| HN1117-3.3 | TO-252 | 500 | 1000 | 17 | 3.267~3.33 | 11 |
| HN1117-5 | TO-252 | 500 | 1000 | 17 | 4.950~5.05 | 11 |
| HN1117-ADJ | TO-252 | 500 | 1000 | 17 | 1.233~1.26 | - |
| HV431 | SOT-89 | 500 | 100 | 30 | 2.45~2.55 | - |
| HV431 (TL431) | SOT-23 | 350 | 10 | - | 2.45~2.55 | - |
| HV78L05 | SOT-89 | 500 | 100 | 30 | 4.8~5.2 | 6 |
| HV78L05 | SOT-23 | 350 | 100 | 30 | 4.8~5.2 | 6 |
| HV78L06 | SOT-89 | 500 | 100 | 30 | 5.75~6.25 | 6 |
| HV78L08 | SOT-89 | 500 | 100 | 30 | 7.7~8.3 | 6 |
| HV78L09 | SOT-89 | 500 | 100 | 30 | 8.64~9.36 | 6 |
| HV78L12 | SOT-89 | 500 | 100 | 35 | 11.5~12.5 | 6.5 |
| HV78L15 | SOT-89 | 500 | 100 | 30 | 14.4~15.6 | 6.5 |
| HV78M05 | TO-252 | 1250 | 500 | 25 | 5.57~6.25 | 6 |
| HV78M06 | TO-252 | 1250 | 500 | 25 | 5.57~6.25 | 6 |
| HV78M08 | TO-252 | 1250 | 500 | 25 | 7.7~8.3 | 6 |
| HV78M09 | TO-252 | 1250 | 500 | 25 | 8.65~9.35 | 6 |
| HV79L05 | SOT-89 | 500 | 100 | -30 | -4.8~-5.2 | 6 |
| HV79L06 | SOT-89 | 500 | 100 | -30 | -5.75~-6.2 | 6 |
| HV79L08 | SOT-89 | 500 | 100 | -30 | -7.7~-8.3 | 6 |
| HV79L09 | SOT-89 | 500 | 100 | -30 | -8.64~-9.3 | 6 |
| HV79L12 | SOT-89 | 500 | 100 | -35 | -11.5~-12. | 6.5 |
| HV79L15 | SOT-89 | 500 | 100 | -35 | -14.4~-15. | 6.5 |
Дополнительная информация