Преобразователи ICL7660 на переключающихся конденсаторах
Часто возникает необходимость получить несколько выходных напряжений от одного источика питания. Для решения такой задачи используются популярные преобразователи напряжения на коммутируемых конденсаторах.

ICL7660
ICL7660S и ICL7660A – это преобразователи напряжения, превосходящие свои аналоги по многих техническим характеристикам (среди аналогов можно назвать MAX1044, LMC7660, TC7660 и др.). Они отличаются расширенным диапазоном питающего напряжения до 12В при сниженном токе потребления. Микросхемы имеют вывод Frequency Boost, который позволяет получать более низкий выходной импеданс при использовании конденсаторов меньшей емкости.
Принцип работы


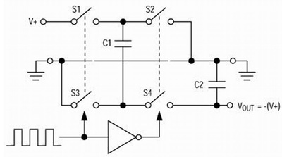
Микросхемы ICL7660 имеют четыре ключа на выходе (S1-S4). при замыкании нечетных ключей (S1 и S3) и размыкании четной пары в первой половине цикла заряжается конденсатор С1, при замыкании четных ключей и размыкании нечетных во второй половине цикла заряжается заряд конденсатор С1 частично передается на конденсатор С2, что обеспечивает отрицательное напряжение на выходе микросхемы.
При разработке конкретного преобразователя особое внимание следует уделить правильному подбору конденсатора С1. Он должен быть оптимизирован по рабочей частоте и емкости. Необходимо предусмотреть возможность изменения рабочей частоты в соответствии со значениями рабочих напряжений и потребляемых токов.
Конструкция
Конструктивно микросхемы интегрируют на кристалле регулятор напряжения, задающий RC генератор, сдвигатель уровня напряжения, а также четыре выходных силовых ключа, которые поочередно подключают конденсатор ко входу питания и выходу. Генератор без нагрузки выдает номинальную частоту 10 кГц для напряжения питания 5В. Эту частоту можно понизить, подключив внешний конденсатор к выводу OSC, или же генератор может управляться внешним компонентом синхронизации.

Режимы работы
Основная функция ICL7660 – преобразователь полярности из 1,5…12 В в -1,5…-12 В., т.е. инвертер напряжения. Из внешних компонентов обвязки требуются только два конденсатора на 10мкФ для накачки заряда.
Среди других типовых схем применения ICL7660 следует назвать каскадное включение для повышения выходного напряжения, удвоитель напряжения (в этом режите они будут генерить 22.8В при входе 12В), делитель напряжения, комбинированный источник напряжения с различными выходными напряжениями.
Технические характеристики
—Напряжение питания: 1,5 – 12 В
—Ток потребления: 80 – 200 мкА
—Частота переключения: 10 кГц
—КПД преобразования: 99,9%
Поделиться
Дополнительная информация
