Датчики тока Allegro

Датчики тока Allegro
Современные датчики тока подразделяются на следующие типы:
—резистивные датчики (токовые шунты);
—датчики тока на эффекте Холла;
—трансформаторы тока;
—волоконно-оптические датчики тока (ВОДТ) на эффекте Фарадея;
—пояс Роговского;
—токовые клещи
Каждый обладает своими достоинствами и недостатками, которые и ограничивают сферу его применения.
| Токоизмерительные резисторы | Трансформаторы тока | Датчики Холла | |
| Измеряемый ток | Постоянный | Переменный | Постоянный и переменный |
| Диапазон измеряемого тока | До 20 А | До 1000А | До 1000А |
| Погрешность измерений | 1% | 5% | 10% |
| Гальваническая развязка | нет | есть | есть |
| Вносимые потери | есть | есть | Нет |
| Частотный диапазон | 100 кГц | 50/60/400 Гц | 200 кГц |
| Относительная стоимость | низкая | высокая | средняя |
| Требуют внешний источник питания | нет | нет | да |
Главным недостатком резистивного датчика тока является необходимость подключать датчик непосредственно в цепь измерения. Главным недостатком трансформатора тока является измерение только переменных токов промышленной частоты. Датчик тока на основе эффекта Холла обладает рядом преимуществ, которые заключаются в возможности измерения как постоянных, так и переменных токов, и малых размерах. К их главным достоинствам следует отнести отсутствие вносимых с систему потерь мощности, широкий диапазон частот. Недостатком является необходимость внешнего источника питания и зависимость от температуры.
Датчики тока Allegro Microsystems
Компания Allegro Microsystems специализируется на разработке и производстве аналого-цифровых силовых микросхем и датчиков тока на основе эффекта Холла. Для диапазона 5-200 А предлагаются интеллектуальные микросхемы, а для диапазона до 1000 А и выше – линейные микросхемы с дистанционным измерением тока. Датчики работают в расширенном диапазоне температур, что позволяет использовать их в жестких условиях эксплуатации.
Основными областями применения являются системы автомобильной и силовой электроники, промышленная автоматика, аппаратура общего применения.
Принцип работы

Датчики состоят из очень точного линейного датчика Холла, интегрированного на кристалл микросхемы, и медного проводника, размещенного близко к кристаллу. Электрический ток, протекая через проводник, создает магнитное поле, которое фиксируется датчиком Холла и преобразуется в напряжение, пропорциональное значению входного тока.

Корпуса датчиков
Для производства датчиков на 5-200 А применяется flip chip технология, которая предоставляет ряд значительных преимуществ для разработчика:
—повышенная чувствительность, датчик Холла расположен очень близко к проводнику тока
—высокая гальваническая изоляция, до 3600 В rms в течение 60 секунд
—низкое сопротивление первичной цепи, менее 1 мОм, снижение потерь мощности
—стандартные корпуса для поверхностного монтажа.

Датчики на диапазон 50-200 А выпускаются в корпусе собственной разработки – СВ. Этот корпус включает медный проводник и аналоговый датчик Холла и позволяет измерять постоянный ток до 200 А и импульсный до 1200 А. Датчики калибруются при производстве, выдерживают напряжение пробоя до 4800 В rms в течение 60 секунд, обеспечивают изоляцию до 700 В и усиленную изоляцию до 4500 В. Сопротивление проводника составляет 100 мОм, поэтому микросхемы имеют сверхнизкую потерю мощности при измерении максимального тока.


Термокомпенсация
В датчиках тока используется запатентованная технология цифровой термокомпенсации, которая позволяет значительно улучшить как погрешность чувствительности и выходного напряжения в рабочей точке. Оба параметра измеряются на этапе финального тестирования в двух режимах: при комнатной температуре и при 85…150°С. Эти данные хранятся в EEPROM памяти. В результате датчики Allegro имеют суммарную погрешность ±1% в диапазоне 25…150°С. Такая калибровка на последней стадии производства устраняет необходимость в температурной калибровке после монтажа на печатную плату.

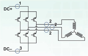
Применение датчиков тока в электроприводе
Датчики тока Allegro могут применяться в нескольких узлах электропривода благодаря наличию гальванической развязки и хорошим параметрам скорости dV/dt.
Они могу использоваться для измерения постоянного тока шины (1), тока фазы (2) или на тока нижнего уровня.

Гальваническая изоляция позволяет использовать датчики Allegro для измерения тока фазы двигателя напрямую. Это упрощает блок управления и уменьшает шумы. Датчики ACS710, ACS711 и ACS716 имеют выходы ошибки, которые можно использовать для обнаружения короткого замыкания или других явлений, вызванных высоким током.
Основные датчики тока для электропривода:
| ACS710 | Датчик тока 5В, 120 кГц с выходом ошибки, изоляция 3 кВ |
| ACS716 | Датчик тока 3,3В, 120 кГц с выходом ошибки, изоляция 3 кВ |
| ACS722 | Датчик тока 3,3В, 80 кГц с термокомпенсацией |
| ACS723 | Датчик тока 5В, 80 кГц с термокомпенсацией |
| ACS726 | Датчик тока с дифференциальным выходом с термокомпенсацией |
| ACS711 | Датчик тока эконом-класса для измерения выходного тока плеча |
Датчики тока в усилителях мощности
Правильное управление усилителем мощности в базовой станции или портативном радиоприемнике – основа для правильного компромисса между выходной мощностью и КПД.
Ток смещения – это ключевой параметр для контроля на большинстве выходных каскадов, поэтому компания Allegro предлагает несколько датчиков тока для решения данной задачи.

| ACS711 | Датчик тока 100 кГц в корпусе QFN/SOIC |
| ACS712 | Датчик тока 80 кГц в корпусе SOIC |
Преимущества датчиков тока Allegro
—возможность измерения постоянного тока, переменного тока и их комбинаций;—малые потери энергии и, как следствие, малое выделение тепла, уменьшенные габариты и возможность контролировать большие токи;
—встроенная гальваническая развязка
Высокая точность, гальваническая изоляция измерительной схемы, термостабильность и малые габариты делают датчики хорошим решением для применения в преобразовательной технике, бытовой, автомобильной и промышленной электронике.
Датчики на 0-50 А
| Серия | Тип датчика | Напр-е питаия, В | Диапазон измерений, А | Напр-е изоляции, Вrms | Полоса пропускания, кГц | Темп. диапазон* | Тип корпуса |
| ACS709 | Двунапр. | 3.3, 5 | ±12 to 75 | 2100 | 120 | L | QSOP-24 |
| ACS710 | Двунапр. | 5 | ±12 to 75 | 3000 | 120 | K | SOICW-16 |
| ACS711 | Двунапр. | 3.3 | ±12.5 to 25 | <100 В пост.тока | 100 | E, K | SOIC-8, QFN-12 |
| ACS712 | Двунапр. | p>5 | ±5 to 30 | 2100 | 80 | E | SOIC-8 |
| ACS713 | Однонапр. | 5 | 20 to 30 | 2100 | 80 | E | SOIC-8 |
| ACS714 | Двунапр. | 5 | ±5 to 30 | 2100 | 80 | E, L | SOIC-8 |
| ACS715 | Однонапр. | 5 | 20 to 30 | 2100 | 80 | E, L | SOIC-8 |
| ACS716 | Двунапр. | 3.3 | ±75 | 3000 | 120 | K | SOICW-16 |
| ACS717 | Двунапр. | 3.3 | ±10 to 20 | 4800 | 40 | K | SOICW-16 |
| ACS718 | Двунапр. | 6 | ±10 to 20 | 4800 | 40 | K | SOICW-16 |
| ACS764 | Однонапр. | 3.3 | 16 or 32 | <100 В пост.тока | 2 | X | QSOP-24 |
Датчики тока 50-200 А
| Серия | Тип | Диапазон измерений, А | Напр-е изоляции, Вrms | Напр-е питания, В | Полоса пропускания, кГц | Темп. диапазон< | Тип корпуса |
| ACS756 | Двунапр. | ±50…±100 | 3000 | 5 | 120 | S, K | CB |
| ACS758 | Одно-/двунапра. | ±50…±200 | 4800 | 5 | 120 | E, S, K, L | CB |
| ACS759 | Двунапр. | ±50…±200 | 4800 | 3.3 | 120 | E, S, K, L | CB |
*Условное обозначение температурного диапазона:
Е = -40…85°C
K = -40…125°C
L = -40…150°C
S = -20…85°C
Система обозначений
ACS758 L CB TR -100 B-PFF-T
1 2 3 4 5 6 7
1. Серия
2. Температурный диапазон:
Е = -40…85°C
K = -40…125°C
L = -40…150°C
S = -20…85°C
3. Тип корпуса:
СВ – корпус СВ
LC – SOIC-8
4. Упаковка:
не обознач. – в пенале
TR – на ленте
5. Диапазон измеряемого тока, А
6. Тип датчика: В – двунаправленный, U – однонаправленный
7. Модификация корпуса для датчиков 50-200А , состоит из 3-буквенного обозначения:
Первая буква – пластиковый корпус
Вторая буква – токовый проводник, S – прямой, F – изогнутый
Третья буква – выводы, S – прямые, F - угловые
Дополнительная информация
