Датчики ускорения Murata: серии SCA100T, SCA103T, SCA3100
Датчики ускорения (акселерометры) – приборы, используют для измерения проекции ускорения движущегося объекта (разность истинного и гравитационного ускорения). Акселерометры представляют собой чувствительные элементы, отклонение от первоначального положения которых и является величиной ускорения.
Датчики ускорения бывают одно-, двух- и трёхкомпонентными. Они измеряют ускорение соответственно по одной, двум и трём осям.
Особенности
—2-оси измерения наклона (X и Y)
—Доступные диапазоны ±0.5 g (±30 °), ±1.0 g (±90 °)
—0.0035 ° точность (10 Hz BW, аналоговый выход)
—Расширенное внутренние и внешние обнаружения сбоя подключения
—Непрерывная проверка четности памяти
—Serial Peripheral Interface (SPI)
—Встроенный датчик температуры доступный через SPI интерфейс
Преимущества
—Надежность и стабильность в течение долгого времени
—Высокое разрешение и низкий уровень шумов
—Широкий диапазон температур
—Высокая ударопрочность до 20000 гр.
Применение
—2-осевое положение и стабилизация движущейся платформы
—Измерительный инструмент
—Измерение положения на наклоне
— Измерение 360 ° в вертикальной ориентацией
Параметры
| Сравнение | ![]() |
![]() |
![]() |
![]() |
| SCA100T-D01 | SCA100T-D02 | SCA103T-D04 | SCA3100-D04-PCB | |
| Тип Выхода | Analog/SPI | Analog/SPI | Analog/SPI | Digital/SPI |
| Количество Осей | 2 | 2 | 1 | >3 |
| Максимальная Угловая Скорость | ±0.5g ±30deg | ±1g ±90deg | ±0.26g ±15deg | ±2g |
| Напряжение Питания | 5V | 5V | 5V | 3.3V |
| Offset Temp. Characteristc | ±0.86deg | ±0.86deg | ±0.29deg | ±30mg |
| Чувствительность | 4V/G | 2V/G | 16V/G | 12 bit output 900G |
| Амплитудная характеристика | 18Hz | 18Hz | 18Hz | 45Hz |
| Рабочая температура | -40…+125 °C | -40…+125 °C | -40…+125 °C | -40…+125 °C |
Направление измерения

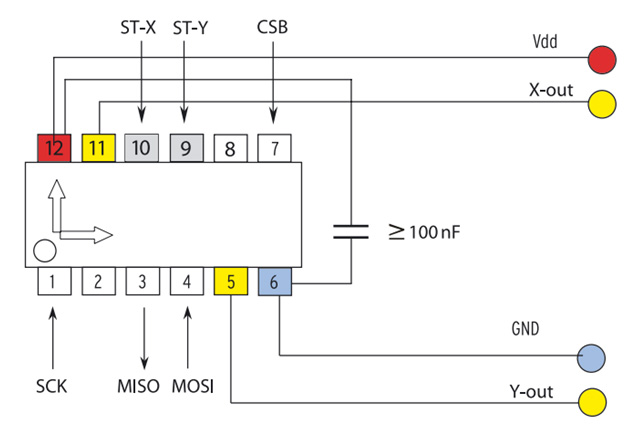
Рекомендация по подключению


Дополнительная информация




