Токоизмерительные резисторы Bourns CRA
Токоизмерительные резисторы – это специализированные резисторы для приводов и промышленного оборудования. Такие резисторы обычно имеют очень низкое номинальное сопротивление и отвечают за измерение тока на критических участках схемы.
Импульсные резисторы Bourns способны выдерживать броски тока без изменений рабочих характеристик компонентов. Компания предлагает резисторы серий CRA, CRF, CRM и PWR, выполненных в стандартных SMT и ТО-220 корпусах.
Сегодня мы предлагаем со склада мощные токоизмерительные резисторы серии CRA2512.

CRA2512
Как выбрать резисторы
Номинал, мощность и температурный коэффициент резистора выбираются таким образом, чтобы в реальных условиях эксплуатации отклонение его сопротивления из-за саморазогрева не превышало 0,1% (1000 ppm) при максимальном падении напряжения порядка 100 мВ.
Для обеспечения высокой разрешающей способности измерения предпочтительным является номинал 0,02 Ом, вносящий минимальное возмущение в измеряемую цепь с током 5 А. В цепях с большими токами используют резисторы номиналом 0,00025 - 0,01 Ом.
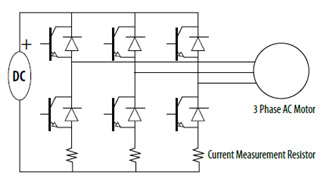
Применение токоизмерительных резисторов CRA2512 в электроприводе
Низкоомные резисторы – это недорогой способ контроля и регулировка тока фаз. Их устанавливают между транзистором и землей. АЦП и контроллер затем рассчитывают ток и дают управляющие команды ШИМ контроллеру. Точность управления зависит от точности измерения тока резисторами.
CRA2512 – это трехваттные резисторы, которые состоят из подложки с покрытием медно-никелевым сплавом и терминалов для пайки. Высокая плотность мощности позволяет экономить площадь печатной платы. В документации (datasheet), как правило, температурный коэффициент приводится при нулевой мощности. Сопротивление указывается при 25°C и при крайних значениях температурного режима (-55°C или +125°C). Однако при подаче мощности температура поверхности резистора увеличится и повлияет на значение сопротивления. Кроме того, действительная температура среды может быть значительны выше при обычных рабочих условиях, т.к. расположенные на плате компоненты находится в корпусе с ограниченным кондиционированием.
Обычно такие силовые компоненты как шунты работают на 30-50% от их номинальных характеристик. Это позволяет приборам сохранять работоспособность при высоких температурах и увеличивать срок наработки на отказ. Инвертеры эконом-класса обычно выпускаются в портативных корпусах, и температура внутри их корпуса может превышать 80 градусов при полной нагрузке. Поэтому важно понимать, как резистор будет работать при разных температурах окружающей среды.
В таблице приведены показания резистора 1 Вт Bourns при трех разных рабочих температурах. Измерения проводились на поверхности корпуса компонента.
| Мощность 1 Вт | T=25°C | T=85°C | T=125°C |
| Сопротивление | 10 мВт | 10,45 мВт | 10,075 мВт |
| Температура поверхности | 48°C | 101°C | 138°C |
Измерения показывают минимальные колебания рабочих параметров резисторов Bourns при полной нагрузке и высоких рабочих температурах.
Технические характеристики CRA2512
—Номинальная мощность: 3 Вт—Диапазон рабочих сопротивления: 0,01 – 0,1 Ом
—Погрешность: ±1%, ±5%
—Сопротивление изоляции: более 100 МОм
—Температурный коэффициент: ±75ppm/оС
—Диапазон рабочих температур: -55…170оС
—Габаритные размеры корпуса: 6.45 х 3.35 х 0.7 (типоразмер 2512)
—Соответствие RoHS
Обзор токоизмерительных резисторов Bourns
| Серия | Внешний вид | Особенности | Мощность, Вт | Размер корпуса | Погрешность, % | Ном. сопр-е, Ом |
| CRA | ![]() |
Мощные, низкоомные, с низким темп. коэф-том, низкими ЭМП, токоизмерительные резисторы для входных усилителей | 3 | 2512 | 1, 5 | 0.01 – 0.1 |
| CRE | ![]() |
2, 3 | 2512 | 1 | 0.001 – 0.009 | |
| CRF | ![]() |
0.5, 1, 2 | 0805 - 2512 | 1, 5 | 0.001 – 0.05 | |
| CRL | ![]() |
Низкоомные токоизмерительные | 0.1, 0.125, 0.25, 0.5, 1 | 0603 - 2512 | 1, 5 | 0.1 – 9.1 |
| CRM | ![]() |
Мощные импульсные резисторы для измерения тока/напряжения, ИП, снабберов | 2 | 0805 - 2512 | 1, 5 | 0.11 – 1МОм |
| PWR4412, PWR4413 |
![]() |
Токоизмерительные высокотемпературные резисторы на высокие ткои | 11.43 х 7.62 – 20.32 х 26 | 1, 5 | 0.005 – 0.1 | |
| PWR163 | ![]() |
Токоизмерительные мощные с разрядом емкости, сертификат AEC-Q200 | 25 | DPAK | 1, 5 | 0.02 – 130 кОм |
| PWR263 | ![]() |
20, 35 | D2PAK | 1, 5 | ||
| PWR220T | ![]() |
20, 35 | TO-220 | 1, 5 |
||
| PWR221T | ![]() |
30 | TO-220 | 1, 5 |
Обработка сигнала с токоизмерительных резисторов
Для обработки напряжения на токоизмерительных резисторах применяются как стандартные дифференциальные измерительные усилители типа INA118, MAX4372, так и специализированные микросхемы типа INA169. Также для работы с резистивными датчиками тока предназначены высоковольтные микросхемы IR2175. Они преобразуют падение напряжения в ШИМ-сигнал с несущей частотой 130 кГц, что удобно для построения схем управления двигателями, а также активными нагрузками.
Для обеспечения гальванической развязки токоизмерительного резистора и схемы управления используются оптопары фирмы Avago (HCPL-7510, HCPL-7520) и Fairchild.
Дополнительная информация









