Высоковольтные конденсаторы Murata 10-40 кВ
ГЛАВНАЯЛитые керамические конденсаторы предназначены для универсального применения при осуществлении емкостной связи в мощной высоковольтной аппаратуре; для фиксированной настройки мощных высокочастотных контуров; в импульсных устройствах в качестве разделительных и блокировочных конденсаторов.
Высоковольтные керамические конденсаторы серии DHS имеют эпоксидное покрытие для работы на напряжениях до 40 кВ, которое также обеспечивает высокую электрическую прочность и сопротивление изоляции. Диапазон емкости составляет от 140 до 5300 пФ, при подаче напряжения емкость практически не меняется, что позволяет использовать компоненты в лазерном оборудовании. При этом диаметр кондексаторов не превышает 60 мм.
Конденсаторы предназначены для приложений, требующих малого тангенса угла потерь и малого коэффициента напряжения. Их можно использовать в изоляционных маслах, таких как силиконовое масло.
Особенности:
1) литая конструкция
Благодаря литой конструкции со специальным компаундом разработчики смогли достичь малых габаритных размеров и хорошей электрической прочности. Конденсаторы можно использовать с изоляционными маслами, например, с силиконовым маслом.
2) высокая прочность и надежность выводов
Для установки контактов используется специальное проводящее клеящееся вещество, которое обеспечивает высокую надежность и защиту от плавления электродов.

3) высокое рабочее напряжение, более 10 кВ
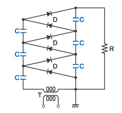
Конденсаторы DHS/DHR хорошо подходят для применения в повышающих цепях и силовых схемах высоковольтных источников питания, используемых в различном промышленном оборудовании.
Схема умножителя напряжения Кокрофта-Валтона
Спецификация
| Габаритные размеры | 20 – 60 мм |
| Номинальное напряжение | 10 – 40 кВ пост.тока |
| Номинальная емкость | 140 – 8000 пФ |
| Применение | 1. Преобразователи напряжения и силовые цепи высоковольтных источников питания 2. Байпасные цепи, цепи развязки и другие высоковольтные схемы |
Дополнительная информация
