Магнитоуправляемые интегральные логические микросхемы К1116 представляют собой особый класс полупроводниковых приборов, тип действия которых основан на изменении сигнала на их выходе при воздействии внешнего магнитного поля. Другими словами, микросхемы выполняют функцию ключа, управляемого магнитным полем.
Магнитоуправляемые микросхемы используются в качестве чувствительных элементов в магнитных датчиках тока и напряжения, скорости и направления вращения, угла поворота и положения, расхода газа и жидкости и др. Микросхемы также используются в бесконтактных вентильных электродвигателях, в устройствах аварийной и охранной сигнализации, системах электронного зажигания в двигателях внутреннего сгорания, электронных клавиатурах и т.д.
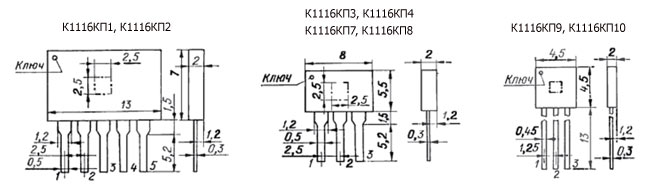
Микросхемы содержат на кристалле преобразователь магнитного поля и усилитель сигнала. В качестве преобразователя используется 4-электродный элемент Холла.
| Модель | Напр-е питания, В | Напр-е коммут-и, В | Ток потребления, мА | Вых. напр-е логич. 0/1, В | Индукция срабатывания и отпускания, мТл | Диап. раб. темп-р, °С |
| К1116КП1 | 4.5...5.5 | 1.5...10 | 5 | 0.4/0.01 | 80/20 | -10...70 |
| К1116КП2 | 4.5...5.5 | 1.5...10 | 6 | 0.4/0.01 | 25/110 | -10...70 |
| К1116КП3 | 6...16 | 1.5...16 | 13 | 0.4/0.01 | 55/10 | -45...125 |
| К1116КП4 | 6...12 | - | 7.5 | - | 30/-30 | -10...70 |
| К1116КП7 | 20...35 | 1.5...12 | 9 | 0.4/0.01 | 30/-30 | -60...125 |
| К1116КП8 | 4.5...5.5 | 1.5...5.5 | 6 | 0.4/0.006 | 30/-30 | -60...125 |
| К1116КП9 | 4.5...5.5 | 4.5...5.5 | 10 | 0.4/0.001 | 35/10 | -10...70 |
| К1116КП10 | 4.5...5.5 | 1.5...5.5 | 6 | 0.4/0.001 | 40/10 | -10...70 |

| Вид | Наименование | Производитель | Наличие | Условие поставки | Цена, руб с НДС | Документация |
|---|---|---|---|---|---|---|
![]() |
К1116КП1, (RAFIH-JC-30) датчик Холла, Датчик Холла | Россия | 1 шт. | 5 раб. дней |
от 20 - 142.38 от 14 - 143.59 от 8 - 144.79 от 2 - 146.00 от 1 - 150.00 |