КАТАЛОГ
- Электронные компоненты, радиодетали
- Микросхемы
- микросхемы памяти (1332)
- компараторы (412)
- усилители операционные, инструментальные, буферные (2389)
- усилители аудио (316)
- усилители видео (36)
- усилители радиочастотные (85)
- усилители разные (330)
- интерфейсы RS485, RS423, RS422 (562)
- интерфейсы RS232 (167)
- интерфейсы CAN (251)
- интерфейсы прочие (594)
- регуляторы напряжения линейные (2650)
- регуляторы напряжения импульсные (2108)
- источники опорного напряжения ИОН (689)
- микропроцессорные супервизоры (411)
- микросхемы питания прочие (772)
- АЦП (536)
- ЦАП (274)
- преобразователи разные (128)
- микроконтроллеры (1387)
- микроконтроллеры ARM (826)
- микроконтроллеры разные (24)
- контроллеры разные (471)
- драйверы светодиодов (277)
- драйверы дисплеев (41)
- драйверы управления двигателями (122)
- драйверы MOSFET и IGBT (692)
- драйверы изоляторов шин данных (1114)
- драйверы разные (88)
- логика - стандартная (1474)
- логика - триггеры (387)
- логика - инвертеры (177)
- логика - счетчики (209)
- логика - регистры (318)
- логика - кодеры, демультиплексоры (269)
- логика - буферы и линейные аппаратные драйверы (566)
- логика - программируемая (ПЛИС) (118)
- логика - прочая (88)
- аналоговые ключи, мультиплексоры (753)
- цифровые потенциометры (111)
- цифровые сигнальные процессоры (DSP) (42)
- часы реального времени, таймеры (229)
- генераторы сигналов (83)
- сигнальные - разные (18)
- радиочастотные (121)
- микросхемы бытовой РЭА (345)
- микросхемы импортные разные (3391)
- микросхемы отечественные разные (92)
- усилители прецизионные (8)
- Транзисторы
- Диоды, стабилитроны, варикапы
- диоды выпрямительные (4625)
- диоды Шоттки (2719)
- диоды высоковольтные (86)
- диоды отечественные (293)
- диоды силовые отечественные (78)
- диодные мосты (1823)
- диоды СВЧ, туннельные (1)
- диоды быстродействующие (72)
- диоды защитные импортные (5230)
- защитные устройства TBU (32)
- ESD защитные диоды (1082)
- стабилитроны (3489)
- варикапы (50)
- Тиристоры
- Полупроводниковые модули
- Резисторы
- Конденсаторы
- конденсаторы электролитические (5166)
- конденсаторы электролитические аксиальные (432)
- конденсаторы электролитические SMD (2036)
- конденсаторы керамические выводные (437)
- конденсаторы керамические дисковые (202)
- конденсаторы керамические высоковольтные (206)
- конденсаторы керамические ЧИП (9234)
- конденсаторы танталовые (107)
- конденсаторы танталовые SMD (4691)
- конденсаторы полимерные (544)
- конденсаторы пленочные (4494)
- конденсаторы снабберные (322)
- конденсаторы подстроечные (17)
- суперконденсаторы, ионисторы (257)
- конденсаторы пусковые (1380)
- конденсаторы силовые (185)
- конденсаторы фазовые косинусные (115)
- конденсаторы разные (1)
- Устройства защиты
- Предохранители
- Компоненты подавления ЭМП
- Резонаторы, генераторы и фильтры
- Трансформаторы, дроссели
- Ферриты, сердечники
- Акустические компоненты
- Беспроводные системы
- Микросхемы
- Коммутация
- Реле
- реле электромагнитные (8256)
- реле электромагнитные отечественные (126)
- реле твердотельные, оптореле (964)
- реле герконовые (88)
- герконы (100)
- реле автомобильные (34)
- реле промежуточные (2741)
- интерфейсные реле (878)
- реле токовые (5)
- реле программируемые (23)
- реле безопасности (4)
- аксессуары для реле (891)
- аксессуары к контакторам (173)
- Переключатели
- Кнопки
- Разъемы сигнальные
- Разъемы для передачи данных
- Разъемы аудио, видео
- Разъемы питания
- Разъемы
- Разъемы промышленные
- Адаптеры и переходники
- Кабельные наконечники, клеммники и клеммы
- зажимы крокодил (144)
- клеммники нажимные (291)
- клеммники разьемные (2964)
- клеммники винтовые (842)
- клеммные колодки, блоки зажимов (321)
- маркировка для клемм (667)
- клеммные зажимы (265)
- клеммы ножевые быстрого соединения (500)
- наконечники на кабель (1115)
- наконечники втулочные (460)
- кабельные клеммы (49)
- ответвители, скотчлоки (43)
- гильзы (179)
- зажимы (32)
- кабельные муфты (25)
- Клеммы на DIN-рейку
- Реле
- Оптоэлектроника
- Оптопары
- Фоточувствительные элементы
- Инфракрасные лазерные модули и диоды
- Позиции других фирм
- Индикация
- Светодиоды индикаторные
- Индикаторы и дисплеи
- Лампы индикаторные
- Светодиоды осветительные
- Светодиоды для светотехники
- Аксессуары для светодиодов
- Освещение
- Прожекторы, светильники
- Декоративное освещение
- Подъемные устройства для светильников
- Лампы осветительные
- Управление освещением
- Источники питания
- DC-DC преобразователи
- AC-DC преобразователи
- Элементы питания
- Лабораторные блоки питания
- Источники питания, драйверы
- светодиодные драйверы (источники питания) (2080)
- сетевые адаптеры (390)
- DC-AC преобразователи (163)
- аксессуары для блоков питания (56)
- стабилизаторы напряжения (63)
- солнечные элементы (21)
- лабораторные автотрансформаторы (ЛАТР) (9)
- источники бесперебойного питания (2)
- источники питания для светодиодов (4)
- Зарядные устройства
- Датчики
- Датчики и преобразователи
- датчики температуры интегральные (392)
- датчики температуры (311)
- термопреобразователи (1)
- датчики давления (340)
- датчики влажности (97)
- датчики магнитного поля (311)
- датчики тока (324)
- датчики напряжения (27)
- датчики ускорения(акселерометры) (84)
- гироскопы (17)
- датчики оптические (218)
- датчики газа (396)
- датчики расхода газа (55)
- датчики уровня жидкости (150)
- детекторы потока жидкости (36)
- пироэлектрические ИК датчики (29)
- механические датчики положения (13)
- датчики УФ излучения (102)
- датчики угла (энкодеры) (125)
- датчики ультразвуковые (32)
- Бесконтактные выключатели
- аксессуары для датчиков (31)
- ультразвуковые датчики (20)
- датчики меток (3)
- оптические датчики положения (519)
- индуктивные датчики положения (2022)
- емкостные датчики положения (261)
- Магнитоуправляемые (герконовые) датчики положения (28)
- оптические датчики расстояния (38)
- навигационные датчики полосы (4)
- датчики цвета (2)
- энкодеры (13)
- аксессуары для датчиков (300)
- Компоненты весовых систем
- Датчики и преобразователи
- Корпусные и установочные изделия
- Установочные изделия
- корпуса для РЭА пластиковые (4856)
- корпуса для РЭА металлические (145)
- корпуса для настольных приборов (11)
- корпуса на DIN-рейку (90)
- корпуса для пультов (14)
- корпуса для навесных приборов (7)
- замки для РЭА (13)
- батарейные отсеки и колодки (303)
- клавиатуры (11)
- ручки для радиоаппаратуры (78)
- ножки для корпусов РЭА (32)
- аксессуары для корпусов (170)
- кабельные вводы пластиковые (733)
- кабельные вводы металлические (96)
- DIN-рейки (25)
- электродвигатели (266)
- Устройства охлаждения
- Крепежные изделия
- Корпуса Bopla
- корпуса Aluplan (92)
- корпуса Alubos (179)
- корпуса Alurail (112)
- корпуса Alustyle (221)
- корпуса Alu-Topline (11)
- корпуса Arteb (117)
- корпуса Bocard (180)
- корпуса Bocube (243)
- корпуса Bocube Alu (71)
- корпуса BoLink (22)
- корпуса BoPad (65)
- корпуса BOS (62)
- корпуса BOS-Ecoline (20)
- корпуса BOS-Streamline (136)
- корпуса Botego (182)
- корпуса BoTouch (22)
- корпуса Circum (22)
- корпуса CombiCard 1000-3000 (125)
- корпуса CombiCard 5000-7000 (76)
- корпуса CombiNorm-Classic (42)
- корпуса CombiNorm-Connect (32)
- корпуса Combirail (27)
- корпуса Elegant (38)
- корпуса Elegant-Pult (16)
- корпуса Elemen (30)
- корпуса Elesett-Eletec (9)
- корпуса Euromas ABS-PC (48)
- корпуса Euromas-Polymas (27)
- корпуса Euromas Polyester (70)
- корпуса Euromas (170)
- корпуса Euromas Aluminium (145)
- корпуса Euromas II (177)
- корпуса Filotec (125)
- корпуса Futura-Bopult (10)
- корпуса Internorm (22)
- корпуса Internorm Stil (3)
- корпуса Intertego (151)
- корпуса Interzoll (67)
- корпуса Interzoll Modul (233)
- корпуса Interzoll Plus (12)
- корпуса RCP-Combifront (66)
- корпуса Ultramas (48)
- корпуса Ultrapult (15)
- корпуса Uninorm (92)
- аксессуары корпусов BOPLA (742)
- Установочные изделия
- Провода, шнуры, расходные материалы
- Провода и кабели
- Аксессуары для кабеля
- Системы для прокладки кабеля
- Шнуры
- Химия для электроники
- Изолирующие материалы
- Теплопроводящие материалы
- Макетные платы
- Маркировка проводов
- Измерительные приборы
- Мультиметры
- Осциллографы
- Токовые клещи
- Средства разработки
- Измерительные приборы
- вольтметры (64)
- амперметры (6)
- генераторы и частотомеры (118)
- RCL-измерители (38)
- тестеры сетей и кабелей (19)
- тестеры, пробники (72)
- измерители параметров электробезопасности (35)
- анализаторы качества электроэнергии переносные (14)
- калибраторы (4)
- металлодетекторы (2)
- измерители параметров окружающей среды (34)
- детекторы газа, газоанализаторы (1)
- виртуальные приборы (59)
- измерители расстояния, дальномеры (4)
- приборы разные (32)
- аксессуары для измерительных приборов (70)
- шунты (21)
- Измерители температуры и влажности
- Измерительные головки
- Паяльное оборудование
- Паяльное оборудование
- Материалы для пайки
- Запчасти к паяльным станциям
- Вспомогательное оборудование
- Инструмент
- Ручной инструмент
- Отвертки
- Губцевый инструмент
- Электроинструмент
- Оптические приспособления
- Антистатика
- Приспособления для хранения
- Промышленная автоматика
- Электротехническое оборудование
- Приборы контроля, управления и сигнализации
- Компенсация реактивной мощности
- Щитовое оборудование, боксы, коробки монтажные
- Аппараты защиты
- предохранители низковольтные (90)
- устройства защиты (4)
- аксессуары для автоматических выключателей (545)
- дифференциальные автоматы (723)
- УЗО (335)
- автоматы защиты двигателя (468)
- автоматические выключатели в литом корпусе (1458)
- воздушные автоматические выключатели (840)
- модульные автоматические выключатели (1436)
- Детекторы движения (8)
- УЗИП (161)
- Коммутация нагрузки
- Устройства управления электродвигателями
- Контакторы, реле
- Электроника для дома и авто
- Электроустановочные изделия
- Автомобильная электроника
- Компьютерное оборудование
- Бытовая электроника
- Аудио-, видеотехника
- Электронные модели, игрушки
- Пожарно-охранные системы
дроссели подавления ЭМП : документация
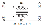
Компания Murata предлагает фильтры для подавления помех импульсных источников переменного тока 220 В. В линейке продукции представлены синфазные фильтры серий PLA10 и PLH10 и синфазно-дифференциальные фильтры серий PLY10 и PLY17, позволяющие заменить комбинацию из синфазного и дифференциального фильтра с увеличением эффективности фильтрации.
Каждая серия выпускается как со стандартной обмоткой, так и с секционной обмоткой, позволяющей более эффективно подавлять высокочастотные помехи. PLA10 – фильтры для подавления синфазных помех на частотах до 10 МГц, PLY10 – гибридные фильтры для подавления синфазных и дифференциальных помех на частотах до 10 МГц, PLH10 – аналог PLA10 для работы на частотах до 100 МГц.
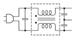
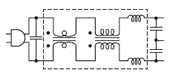
| Эквивалентная схема | Серия | Внешний вид | Описание |
![]() | PLA10 | ![]() | Подавление синфазных помех в диапазоне до 10 МГц |
| PLH10 | ![]() | Подавление синфазных помех в диапазоне до 100 МГц |
|
![]() | PLY10 | ![]() | Подавление синфазной и дифференциальной помехи до 10 МГц |
![]() | PLY17 | ![]() |
Каталоги, брошюры, буклеты
—Дроссели Murata для светодиодных источников питания (статья)
—Дроссели подавления ЭМП Murata серий PLA/PLY/PLH (каталог Платан)
—Линейные фильтры Кодотранс
—ЧИП ферритовые бусины BLM Murata (каталог англ.)






